Berührungspunkt

Neben den Endgeräten sollten auch alle mit dem Netz verbundenen Personen, Orte und Dinge berücksichtigt werden.

Details anzeigen

Ressource

Verstehen Sie bewährte Verfahren, erforschen Sie innovative Lösungen und knüpfen Sie Kontakte zu anderen Partnern in der Baker-Community.

×

Berührungspunkt

Berührungspunkt

Neben den Endgeräten sollten auch alle mit dem Netz verbundenen Personen, Orte und Dinge berücksichtigt werden.

Mehr erfahren

Ressource

Ressource

Verstehen Sie bewährte Verfahren, erforschen Sie innovative Lösungen und knüpfen Sie Kontakte zu anderen Partnern in der Baker-Community.

Kontaktieren Sie uns

BMX7A ist ein vollständig digitales SIP-Audio- und Video-Android-VOIP-Telefon-Mainboard für OEMs und Geräteentwickler, die IP-Telefone, Gegensprechanlagen, Service-Terminals und andere vernetzte Sprachkommunikationsprodukte entwickeln. Auf Basis einer ausgereiften VoIP-Architektur und der Rockchip-PX30-Plattform vereint es stabile SIP-Kommunikation, flexible Schnittstellenerweiterung und praktische Hardwareintegration auf einer kompakten Platine.

Das Board ist für Produkte ausgelegt, die mehr als nur Basistelefonie benötigen. Neben der Standardanbindung für Hörer und Headset unterstützt BMX7A Freisprech-Audio, duales Gigabit-Ethernet, PoE, USB, Tastenfelderweiterung, Status-LED-Erweiterung, Gabelschaltereingang und eine 7-Zoll-Farbdisplay-Schnittstelle. Dadurch eignet es sich für Business-Deskphones, spezialisierte Kommunikationsterminals und kundenspezifische eingebettete Sprachgeräte.

BMX7A wurde für Entwickler entwickelt, die einen sofort einsatzbereiten SIP-Kommunikationskern mit der Flexibilität benötigen, ihn an unterschiedliche Terminalstrukturen, Benutzeroberflächen und Anforderungen an die Sprachinteraktion anzupassen.
Ansicht des BMX7A SIP-Android-VOIP-Mainboards mit zwei Ethernet-Ports, Stromeingang und mehreren Erweiterungsanschlüssen
Ansicht des BMX7A VOIP-Telefon-Mainboards

Überblick über die Kernplattform

Android-basierte SIP-VOIP-Telefon-Mainboard-Architektur

BMX7A läuft unter Android 9.0 und unterstützt den Standard SIP 2.0 mit den zugehörigen RFC-Protokollen. Damit erhalten Produktdesigner eine vertraute und breit kompatible Grundlage für IP-Sprachkommunikation. Es unterstützt bis zu 20 SIP-Leitungen und eignet sich daher für Terminals, die Mehrleitungsrufbearbeitung, funktionsreiche Nebenstellenlogik oder ein erweitertes Anrufmanagement benötigen.

Da das Board als VOIP-Telefon-Mainboard und nicht als geschlossenes Endprodukt ausgelegt ist, ist es besonders nützlich für Entwicklungsprojekte mit individuellem Industriedesign, dedizierten Funktionstasten, maßgeschneiderten Displays oder Integration auf Anwendungsebene. Die Plattform bietet Hardware- und Softwareteams eine praktische Brücke zwischen Embedded-Design und einsatzfähigen SIP-Kommunikationsprodukten.

Stabiler Sprachpfad und Vollduplex-Kommunikation

Die Sprachleistung ist ein zentraler Vorteil von BMX7A. Das Board nutzt ein digitales Vollduplex-Freisprechdesign für laute und klare Kommunikation, was für Terminals in lauten Arbeitsbereichen, öffentlichen Servicestellen oder kommunikationsintensiven Arbeitsplätzen wichtig ist. Zudem unterstützt es Echounterdrückung und verbessert damit die Gesprächsverständlichkeit in Freisprechszenarien.

Unterstützt werden mehrere Codec-Optionen, darunter G.729AB, G.711A/U, iLBC, G.722 und Opus. Dadurch erhalten Entwickler Flexibilität beim Ausbalancieren von Bandbreite, Kompatibilität und Audioqualität in unterschiedlichen SIP-Servern und Einsatzumgebungen.

Highlights bei Hardware und Schnittstellen

Netzwerk-, Strom- und Peripherieanbindung

BMX7A verfügt über zwei 10/100/1000-Mbit/s-Ethernet-Ports für WAN- und LAN-Konnektivität und ermöglicht damit schnellen Netzwerkzugang sowie eine einfache Integration in IP-Kommunikationssysteme. Die PoE-Unterstützung erleichtert die Installation, insbesondere bei Terminals, bei denen eine separate Stromzuführung unerwünscht ist oder vereinfachte Verkabelung Priorität hat.

Das Board unterstützt außerdem einen 5V/2A-Gleichstromeingang, einen USB-2.0-Port, RJ9-Schnittstellen für Hörer und Headset sowie dedizierte Anschlüsse für Freisprechmikrofon und Lautsprecher. Für Produktteams, die Tischtelefone, Help Points oder integrierte SIP-Terminals entwickeln, reduzieren diese Schnittstellen die Entwicklungskomplexität und bewahren zugleich die Designflexibilität.

Maßzeichnung des MBX7A-Boards mit 129 x 95 Millimetern Bauform und Positionen der Montagebohrungen
Abmessungen des BMX7A-Boards

Display- und Erweiterungsfähigkeit

Ein 40-poliger FPC-Anschluss ist für ein 7-Zoll-Farbdisplay vorgesehen und eröffnet damit reichhaltigere Benutzeroberflächen, menügesteuerten Betrieb, visuelle Statusanzeigen und kundenspezifische touchscreenbasierte Produkterlebnisse. Das ist nützlich für Kommunikationsterminals, die mehr als eine einfache monochrome Telefonschnittstelle benötigen, etwa smarte Empfangsgeräte, Operator-Terminals oder multifunktionale Kommunikationspanels.

Über die Display-Schnittstelle hinaus unterstützt BMX7A digitale Tastenfeld-Erweiterungs-I/Os, LED-Erweiterungs-I/Os und eine Gabelschalter-Schnittstelle. Diese Erweiterungsressourcen ermöglichen Produkte mit dedizierten Funktionstasten, visueller Anrufstatusanzeige, mechanischer Hörerzustandserkennung und spezialisierterer Betriebslogik.

Der Wert von BMX7A liegt nicht nur in der SIP-Telefonie selbst, sondern auch darin, wie leicht sich das Board in unterschiedliche Terminalformen mit angepassten Bedienelementen, Displays und Interaktionsmethoden integrieren lässt.
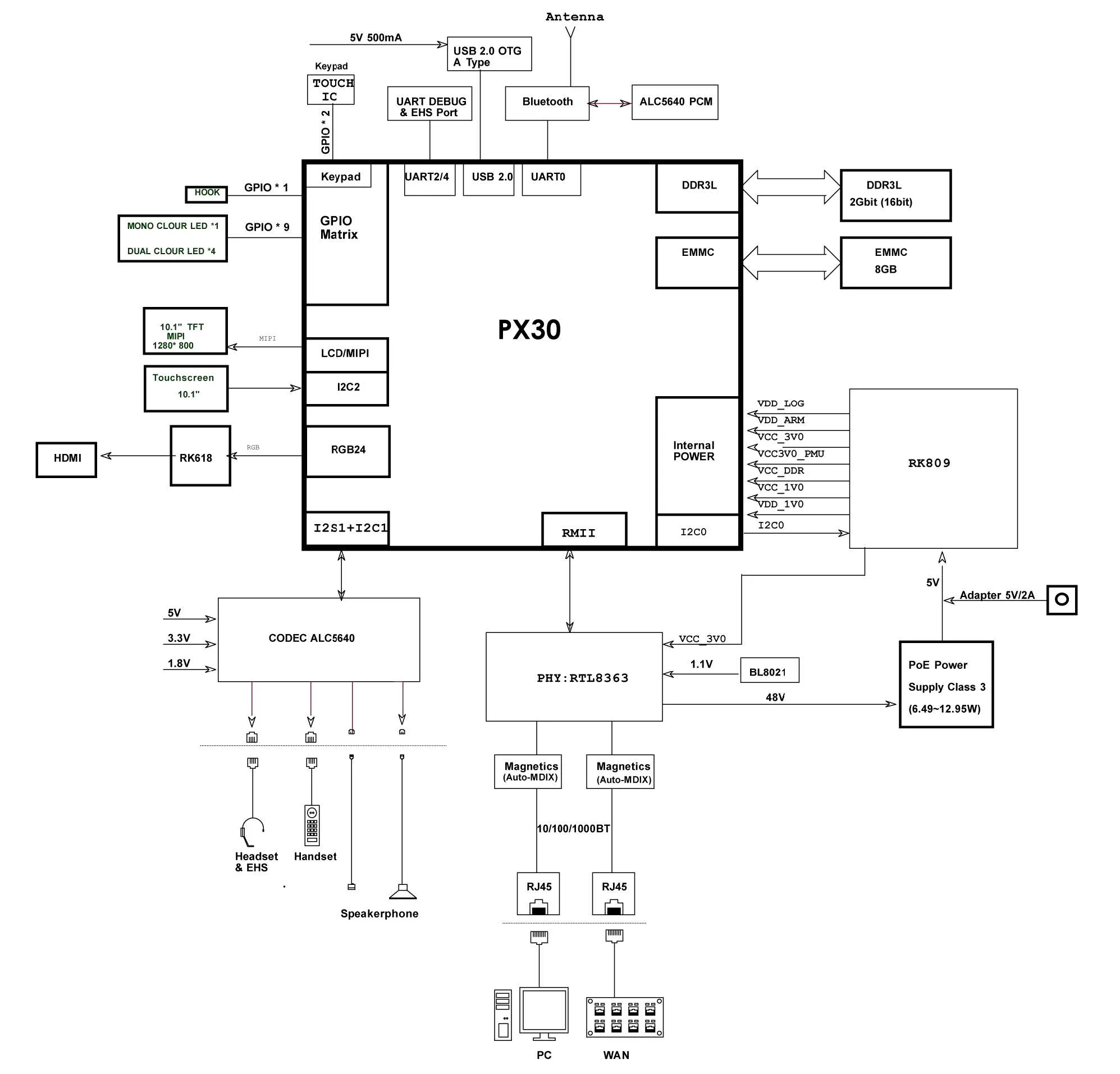
MBX7A-Hardware-Blockdiagramm mit PX30-Plattform, Ethernet, Audio, LCD, Tastenfeld, USB, Bluetooth und Stromversorgungsarchitektur
Hardware-Blockdiagramm des BMX7A

Typische Einsatzbereiche in der Produktentwicklung

Business-IP-Telefone und intelligente Desktop-Terminals

BMX7A ist ein geeigneter Hardware-Kern für Business-IP-Telefone, die Android-basierte Softwarefunktionen, Mehrleitungs-SIP-Unterstützung und eine umfangreichere Display-Umgebung benötigen. Es kann als Basis für Produkte für Managementkommunikation, Service-Desks, Dispositionsarbeitsplätze oder fortschrittliche Office-Terminals dienen, bei denen Display-Interaktion und Peripherieintegration wichtig sind.

Für Entwickler intelligenter Desktop-Kommunikationsgeräte schafft die Kombination aus Hörermodus, Headset-Modus und Freisprechmodus Flexibilität für unterschiedliche Anrufgewohnheiten und Arbeitsweisen.

Kundenspezifische Gegensprech- und Service-Kommunikationsgeräte

Das Board eignet sich auch für kundenspezifische Gegensprech- und Service-Terminal-Anwendungen. Mit Unterstützung für Vollduplex-Audio, Statusanzeige, Tastenfelderweiterung und Displayanbindung kann BMX7A an Besucher-Kommunikationsterminals, Innen-Servicepunkte, Informationsschalter und spezialisierte Support-Endpunkte angepasst werden, die SIP-Sprache und eine konfigurierbare Embedded-Hardwarebasis benötigen.

In diesen Szenarien können Entwickler das Board als Kommunikations-Engine einsetzen und Gehäuse, Tastenfeldlayout, visuelle Oberfläche und Systemverhalten gezielt auf die Anforderungen der Zielanwendung auslegen.

Eingebettete OEM-Kommunikationsprojekte

OEM-Projekte benötigen häufig ein Gleichgewicht zwischen ausgereifter Kommunikationsfähigkeit und Freiheit im Hardwaredesign. BMX7A erfüllt diese Anforderung durch eine bewährte SIP- und Android-Plattform zusammen mit den Schnittstellen, die zur Integration von Display, Tastenfeld, Audiomodulen, LEDs und lokalen Peripheriegeräten erforderlich sind. Dadurch verkürzen sich Entwicklungszyklen im Vergleich zum vollständigen Neuaufbau einer Kommunikationsplattform.

Es eignet sich besonders für Projekte, bei denen das Endprodukt ein markenspezifisches Frontend, ein dediziertes Gehäuse oder branchenspezifische Betriebslogik erfordert, während im Backend weiterhin standardisierte SIP-Kommunikation genutzt wird.

Warum BMX7A für Produktdesigner praktisch ist

Flexible Integration ohne den SIP-Kern neu zu entwickeln

Einer der stärksten praktischen Vorteile von BMX7A ist, dass Entwicklungsteams sich auf die Differenzierung des Terminals konzentrieren können, statt die zugrunde liegende VoIP-Plattform neu aufzubauen. Das Board stellt bereits den Kommunikationsrahmen, den Audiopfad, die Netzwerkbasis und die zentralen Hardware-Schnittstellen bereit, die ein SIP-Endpunkt benötigt.

Das kann Integrationsrisiken verringern, Entwicklungszeitpläne besser beherrschbar machen und die Erstellung mehrerer Produktvarianten auf Basis einer einzigen VOIP-Mainboard-Plattform erleichtern. Ein Team kann dieselbe Board-Architektur in verschiedenen Modellen verwenden und nur Gehäuse, Tastenanordnung, Displaystil oder Frontend-Softwareerlebnis ändern.

Ausgewogen in Funktionalität und Erweiterbarkeit

BMX7A ist nicht auf eine enge Gerätekategorie beschränkt. Sein Schnittstellensatz macht es überall dort nützlich, wo ein Projekt SIP-Sprache, Benutzerinteraktion und Embedded-Flexibilität auf derselben Plattform benötigt. Für Hersteller und Entwickler ist dieses Gleichgewicht oft wertvoller als ein Board mit fester Funktion, das sich nicht an eine breitere Produktplanung anpassen lässt.

Mit Android 9.0, bis zu 20 SIP-Leitungen, Gigabit-Netzwerk, PoE, USB, Display-Unterstützung und mehreren Erweiterungsschnittstellen bietet BMX7A eine vielseitige Hardwarebasis für die Entwicklung von Kommunikationsterminals.

Fazit

BMX7A ist ein kompaktes, aber leistungsfähiges SIP-Android-VOIP-Telefon-Mainboard für Entwickler, die kundenspezifische IP-Kommunikationsterminals entwickeln. Es vereint eine stabile VoIP-Basis, klare Vollduplex-Audioqualität, flexible Schnittstellenerweiterung und praktische Netzwerkanbindung auf einer Platine, die Business-Telefone, Gegensprechgeräte, Service-Terminals und eingebettete OEM-Kommunikationsprodukte unterstützen kann.

Für Teams, die eine anpassbare SIP-Hardwareplattform bewerten, bietet BMX7A einen soliden Ausgangspunkt, um Kommunikationsanforderungen in fertige Produkte mit eigenem Interface-Stil, eigener mechanischer Struktur und eigener Betriebslogik umzusetzen.

Professioneller Hersteller von industrieller Kommunikation, der eine hohe Zuverlässigkeit der Kommunikation garantiert!
Zusammenarbeit Konsultation
Kundenservice Telefon
We use cookie to improve your online experience. By continuing to browse this website, you agree to our use of cookie.

Cookies

This Cookie Policy explains how we use cookies and similar technologies when you access or use our website and related services. Please read this Policy together with our Terms and Conditions and Privacy Policy so that you understand how we collect, use, and protect information.

By continuing to access or use our Services, you acknowledge that cookies and similar technologies may be used as described in this Policy, subject to applicable law and your available choices.

Updates to This Cookie Policy

We may revise this Cookie Policy from time to time to reflect changes in legal requirements, technology, or our business practices. When we make updates, the revised version will be posted on this page and will become effective from the date of publication unless otherwise required by law.

Where required, we will provide additional notice or request your consent before applying material changes that affect your rights or choices.

What Are Cookies?

Cookies are small text files placed on your device when you visit a website or interact with certain online content. They help websites recognize your browser or device, remember your preferences, support essential functionality, and improve the overall user experience.

In this Cookie Policy, the term “cookies” also includes similar technologies such as pixels, tags, web beacons, and other tracking tools that perform comparable functions.

Why We Use Cookies

We use cookies to help our website function properly, remember user preferences, enhance website performance, understand how visitors interact with our pages, and support security, analytics, and marketing activities where permitted by law.

We use cookies to keep our website functional, secure, efficient, and more relevant to your browsing experience.

Categories of Cookies We Use

Strictly Necessary Cookies

These cookies are essential for the operation of the website and cannot be disabled in our systems where they are required to provide the service you request. They are typically set in response to actions such as setting privacy preferences, signing in, or submitting forms.

Without these cookies, certain parts of the website may not function correctly.

Functional Cookies

Functional cookies enable enhanced features and personalization, such as remembering your preferences, language settings, or previously selected options. These cookies may be set by us or by third-party providers whose services are integrated into our website.

If you disable these cookies, some services or features may not work as intended.

Performance and Analytics Cookies

These cookies help us understand how visitors use our website by collecting information such as traffic sources, page visits, navigation behavior, and general interaction patterns. In many cases, this information is aggregated and does not directly identify individual users.

We use this information to improve website performance, usability, and content relevance.

Targeting and Advertising Cookies

These cookies may be placed by our advertising or marketing partners to help deliver more relevant ads and measure the effectiveness of campaigns. They may use information about your browsing activity across different websites and services to build a profile of your interests.

These cookies generally do not store directly identifying personal information, but they may identify your browser or device.

First-Party and Third-Party Cookies

Some cookies are set directly by our website and are referred to as first-party cookies. Other cookies are set by third-party services, such as analytics providers, embedded content providers, or advertising partners, and are referred to as third-party cookies.

Third-party providers may use their own cookies in accordance with their own privacy and cookie policies.

Information Collected Through Cookies

Depending on the type of cookie used, the information collected may include browser type, device type, IP address, referring website, pages viewed, time spent on pages, clickstream behavior, and general usage patterns.

This information helps us maintain the website, improve performance, enhance security, and provide a better user experience.

Your Cookie Choices

You can control or disable cookies through your browser settings and, where available, through our cookie consent or preference management tools. Depending on your location, you may also have the right to accept or reject certain categories of cookies, especially those used for analytics, personalization, or advertising purposes.

Please note that blocking or deleting certain cookies may affect the availability, functionality, or performance of some parts of the website.

Restricting cookies may limit certain features and reduce the quality of your experience on the website.

Cookies in Mobile Applications

Where our mobile applications use cookie-like technologies, they are generally limited to those required for core functionality, security, and service delivery. Disabling these essential technologies may affect the normal operation of the application.

We do not use essential mobile application cookies to store unnecessary personal information.

How to Manage Cookies

Most web browsers allow you to manage cookies through browser settings. You can usually choose to block, delete, or receive alerts before cookies are stored. Because browser controls vary, please refer to your browser provider’s support documentation for details on how to manage cookie settings.

Contact Us

If you have any questions about this Cookie Policy or our use of cookies and similar technologies, please contact us at support@becke.cc .